闪蒸焦耳热将废塑料变成混合纳米管+石墨烯
点击:104 时间:2023-03-25 09:12:49
将汽水瓶或外卖容器放入回收箱远不能保证它会变成新东西。莱斯大学的科学家们正试图通过使该过程有利可图来解决这个问题。

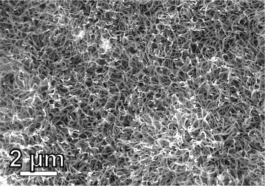
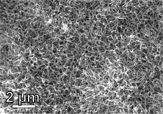
闪蒸焦耳加热可用于从混合废塑料中制造碳纳米管和碳纳米纤维,这种方法比现有生产工艺效率高 90%。纳米管直径可以通过改变功率或使用的催化剂来控制。(图片由 Tour 实验室/莱斯大学提供)
根据经济合作与发展组织的数据,在过去二十年中,全球产生的塑料废物数量翻了一番——预计到 2050 年塑料产量将增加两倍——其中大部分最终被填埋、焚烧或以其他方式管理不善。一些估计表明只有 5% 实际上被回收了。
“废塑料很少被回收利用,因为将塑料进行所有清洗、分类和熔化以将其转化为可供工厂使用的材料需要花费大量资金,”莱斯大学研究生凯文维斯说,发表在Advanced Materials上的一项研究的主要作者,该研究描述了他和化学家James Tour实验室的同事如何使用他们的闪光焦耳加热技术将塑料变成有价值的碳纳米管和混合纳米材料。
“我们能够制造出一种性能优于石墨烯和市售碳纳米管的混合碳纳米材料,”Wyss 说。

通过控制反应参数,从混合废塑料中获得了一种混合碳纳米材料,该材料由纳米管组成,其末端附有石墨烯片位。当用于复合材料时,这些杂化物的性能优于单独的石墨烯或碳纳米管。(图片由 Tour 实验室/莱斯大学提供)
石墨烯、碳纳米管和其他碳基纳米材料通常强度高、化学稳定性好、密度低、表面积大、具有导电性和宽带电磁吸收能力。这使得它们可用于各种工业、医疗和电子应用,例如复合材料、涂料、传感器、电化学储能等。
“这次我们的结果真正有趣的是,我们能够制造出这些碳纳米管,其末端附有一些石墨烯,”Wyss 说。“你可以把这种新型混合纳米材料的结构想象成类似于豆芽或棒棒糖。这些通常很难制作,而我们能够用废塑料制作它们这一事实真的很特别。”
新型杂化碳纳米材料的结构是其增强性能的原因。

通过控制反应参数,从混合废塑料中获得了一种混合碳纳米材料,该材料由纳米管组成,其末端附有石墨烯片位。当用于复合材料时,这些混合形态比单独使用石墨烯或碳纳米管表现得更好。(图片由 Tour 实验室/莱斯大学提供)
“假设我正试图从一件毛衣中拉出一串纱线,”Wyss 说。“如果绳子又直又光滑,有时它很容易脱落并破坏编织。碳纳米管也是一样。将这些大量的石墨烯附着在末端有助于使它们更难去除,从而增强复合材料。
“你也可以这样想:如果你得到一个碎片,很容易取出来。但如果你被末端有曲线的东西刺伤,比如鱼钩,就很难取出来,”他补充道。
这种塑料不需要像传统回收那样进行分类或清洗,而是在超过 3,100K(约 5,120 华氏度)的温度下“闪蒸”。“我们所做的就是将材料研磨成五彩纸屑大小的小块,添加一点铁并混合少量不同的碳 – 例如木炭 – 以提高导电性,”Wyss 说。
“回收塑料的成本不仅仅是生产新塑料,”他补充道。“回收塑料几乎没有经济动力。这就是为什么我们转向升级回收,或将低价值废料转化为具有更高货币或使用价值的东西。如果我们可以将废塑料变成更有价值的东西,那么人们就可以通过对如何处理废弃塑料负责来赚钱。”

Kevin Wyss 是莱斯大学的一名研究生,也是这项研究的主要作者。(杰夫·菲特洛/莱斯大学摄)。
生产过程的生命周期分析表明,闪蒸焦耳加热比现有的纳米管生产过程更节能、更环保。
“与目前使用的碳纳米管生产商业方法相比,我们的方法使用的能源减少了约 90%,产生的二氧化碳减少了 90%-94%,”Wyss 说。
Tour 是该研究的合著者,是 TT 和 WF Chao 的化学教授,也是莱斯大学乔治 R. 布朗工程学院的材料科学和纳米工程教授。
美国国家科学基金会研究生研究奖学金、空军科学研究办公室 (FA9550-19-1-0296) 和美国陆军工程师研发中心 (W912HZ-21-2-0050) 支持了这项研究。
转载自:https://news.rice.edu/news/2023/potential-profits-gives-rice-labs-plastic-waste-project-promise
论文链接:
将废塑料升级改造为混合碳纳米材料| 先进材料 | DOI:10.1002/adma.202209621
https://doi.org/10.1002/adma.202209621
作者:Kevin Wyss、John Li、Paul Advincula、Ksenia Bets、Weiyin Chen、Lucas Eddy、Karla Silva、Jacob Beckham、Jinhang Chen、Wei Meng、Bing Deng、Satish Nagarajaiah、Boris Yakobson 和 James Tour








![[转载]高熵合金催化剂浅谈-如意](http://orignx.com/wp-content/uploads/2022/12/165509keqm3ltm3vmvayie-300x300.png)





暂无评论内容